三菱インバータ学習マニュアル教材.動画解説付 三菱インバータ学習教材
(2453件)
Pontaパス特典
サンキュー配送
17284円(税込)
173ポイント(1%)
Pontaパス会員ならさらに+1%ポイント還元!
送料
(
)
2442
配送情報
お届け予定日:2026.04.14 7:7までにお届け
※一部地域・離島につきましては、表示のお届け予定日期間内にお届けできない場合があります。
ロットナンバー
1614669521
お買い物の前にチェック!
Pontaパス会員なら
ポイント+1%
ポイント+1%
商品説明


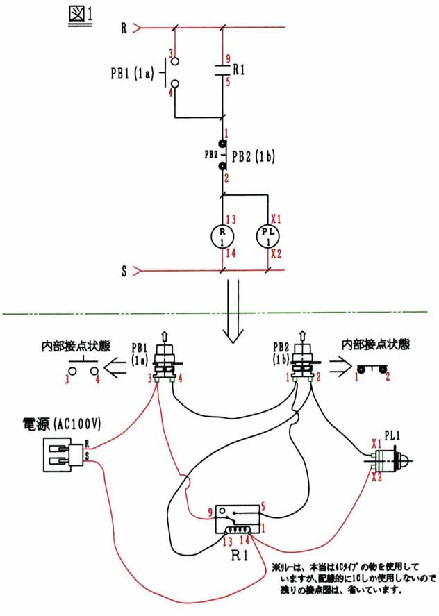
OMD SYSTEM.COM社製【三菱インバータ学習・マニュアル/教材パッケージ】販売定価39800円の教材です。↓YouTube検索キーワード↓[三菱インバータ omd]にて検索して頂けると概要内容の動画が、ご覧頂けます。三菱インバータFR-D700.E700シリーズ、お使いになりたい方やインバータ制御の基本を学びたい方に持ってこいです。「実務で、制御設計をしていたら必ず使う制御機器といったらモーターではないでしょうか!?標準のモーターを使って自由自在に回転速度制御したい方におすすめの教材です。今の三菱インバーター安価でかなり優れものです。回転速度が遅くなってもトルクを維持できる機能など、多彩な用途で使えます。マニュアル&動画マニュアルのみとなります」◎三菱インバータ学習教材1.マニュアル1冊2.マニュアルを動画で説明したCD→50分収録3.パラメータ設定方法(別紙)4.エラー時の原因と対策(別紙)
| カテゴリー: | 本・雑誌・漫画>>>本>>>語学・辞書・学習参考書 |
|---|---|
| 商品の状態: | 新品、未使用","新品で購入し、一度も使用していない |
| 配送料の負担: | 送料込み(出品者負担) |
| 配送の方法: | レターパック |
| 発送元の地域: | 大阪府 |
| 発送までの日数: | 1~2日で発送 |
レビュー
商品の評価:




4.0点(2453件)
- BRUNO0921
- 面白い本です❗ わりとすぐに届きました❗
- gk ゴーウェン
- ノンタンにはまっている娘に購入しました。 シリーズをもうたくさん購入しています。 何度も読み聞かせているうちにセリフを覚え、 自分で読めるほどになっています。 トイレトレーニングの時期には 「ノンタンおもらししちゃった!」 と同志を見つけ、嬉しそうに読んでいました。
- 黒犬123
- 恐竜の絵がスポットライトを使うと浮き出る仕組みになってます。ワールドライブラリーを定期購入してまして、海の生き物シリーズを持っていて息子に恐竜シリーズも欲しいと言われての購入でした。大人が見ても面白い仕掛けと内容です。図鑑みたいだし、恐竜を探したり、数も数える練習にもなります。
すべて見る
お店の情報
7,367
連絡・応対
4.3
配送スピード
4.3
梱包
4.3










